產品介紹
概述
該產品是供具有可燃性氣體、瓦斯、粉塵等形成的爆炸性混合物環境條件下所使用的輸送機械做驅動裝置。隔爆標志為dI、dIIAT4、dⅡBT4。dI適合于有甲烷或煤塵爆炸危險性混合物存在的礦井中,dⅡAT4適合于Ⅰ、ⅡA級T1-T4組爆炸危險性混合物存在的場所,dIIBT4適合于Ⅰ,IIA、ⅡB級T1-T4組爆炸危險性混合物存在的場所。可滿足各種逆止、包膠等要求。

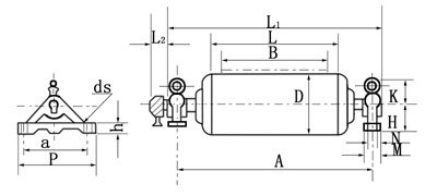
YDB型隔爆油冷式電動滾筒外形尺寸

YDB型隔爆油冷式電動滾筒外型尺寸
D
B
A
L
L1
L2
H
M
N
P
Q
dS
h
L3
315
(320)
500
850
600
≤732
940
120
90
340
280
27
35
95
650
1000
750
≤882
1090
800
1300
950
≤1032
1390
400
500
850
600
≤744
940
120
90
340
280
27
35
95
650
1000
750
≤894
1090
800
1300
950
≤1044
1390
500
500
850
600/620
≤748
960
100
70
340
280
27
35
115
650
1000
750
≤900
1120
120
90
800
1300
950
≤1100
1420
120
90
630
650
1000
750
≤868
1120
120
90
340
280
27
35
≤140
800
1300
950
≤1068
1430
140
130
80
400
330
27
35
1000
1500
1150
≤1268
1630
140
130
80
400
330
27
35
1200
1750
1400
≤1514
1900
160
160
90
440
360
34
50
1400
2000
1600
≤1720
2150
160
160
90
440
360
34
50
800
1000
1500
1150
≤1268
1630
140
145
80
400
330
27
35
≤140
1200
1750
1400
≤1514
1900
160
160
90
440
360
34
50
1400
2000
1600
≤1720
2150
160
160
90
440
360
34
50
1000
1000
1500
1150
≤1268
1630
140
145
80
400
330
27
35
≤140
1200
1750
1400
≤1514
1900
160
160
90
440
360
34
50
1400
2000
1600
≤1720
2150
160
160
90
440
360
34
50
YDB型隔爆油冷式電動滾筒技術參數
直徑(mm)
功率(kW)
帶寬(mm)
膠帶速度(m/s)
質量(Kg)
0.8
1.0
1.25
1.6
2.0
2.5
3.15
4.0
320
1.5
500
·
·
·
·
185
650
·
·
·
·
195
2.2
500
·
·
·
187
650
·
·
·
197
3
500
·
·
220
650
·
·
227
4
500
·
227
650
·
239
400
2.2
500
·
·
·
·
219
650
·
·
·
·
230
3
500
·
·
·
·
251
650
·
·
·
·
265
4
500
·
·
·
256
650
·
·
·
270
500
1.5
500
·
·
272
650
·
·
283
2.2
500
·
·
·
·
274
650
·
·
·
·
285
800
·
·
·
315
3
500
·
·
·
·
·
302
650
·
·
·
·
·
316
800
·
·
·
·
·
346
4
500
·
·
·
·
·
·
308
650
·
·
·
·
·
·
322
800
·
·
·
·
·
·
352
5.5
500
·
·
·
·
·
368
650
·
·
·
·
·
404
800
·
·
·
·
·
435
7.5
650
·
·
·
·
419
800
·
·
·
·
·
448
11
650
·
·
·
481
800
·
·
·
·
518
15
800
·
·
·
·
542
630
3
1000
·
529
4
1000
·
·
·
536
1200
·
590
5.5
800
·
·
·
·
577
1000
·
·
·
·
608
1200
·
·
·
·
·
678
7.5
800
·
·
·
·
592
1000
·
·
·
·
·
703
1200
·
·
·
·
·
692
11
650
·
·
613
800
·
·
·
679
1000
·
·
·
·
·
·
711
1200
·
·
·
·
·
781
15
800
·
·
697
1000
·
·
·
·
729
1200
·
·
·
·
·
799
概述
該產品是供具有可燃性氣體、瓦斯、粉塵等形成的爆炸性混合物環境條件下所使用的輸送機械做驅動裝置。隔爆標志為dI、dIIAT4、dⅡBT4。dI適合于有甲烷或煤塵爆炸危險性混合物存在的礦井中,dⅡAT4適合于Ⅰ、ⅡA級T1-T4組爆炸危險性混合物存在的場所,dIIBT4適合于Ⅰ,IIA、ⅡB級T1-T4組爆炸危險性混合物存在的場所。可滿足各種逆止、包膠等要求。

YDB型隔爆油冷式電動滾筒外形尺寸

YDB型隔爆油冷式電動滾筒外型尺寸
|
D |
B |
A |
L |
L1 |
L2 |
H |
M |
N |
P |
Q |
dS |
h |
L3 |
|
315
(320) |
500 |
850 |
600 |
≤732 |
940 |
120 |
90 |
340 |
280 |
27 |
35 |
95 | |
|
650 |
1000 |
750 |
≤882 |
1090 | |||||||||
|
800 |
1300 |
950 |
≤1032 |
1390 | |||||||||
|
400 |
500 |
850 |
600 |
≤744 |
940 |
120 |
90 |
340 |
280 |
27 |
35 |
95 | |
|
650 |
1000 |
750 |
≤894 |
1090 | |||||||||
|
800 |
1300 |
950 |
≤1044 |
1390 | |||||||||
|
500 |
500 |
850 |
600/620 |
≤748 |
960 |
100 |
70 |
340 |
280 |
27 |
35 |
115 | |
|
650 |
1000 |
750 |
≤900 |
1120 |
120 |
90 | |||||||
|
800 |
1300 |
950 |
≤1100 |
1420 |
120 |
90 | |||||||
|
630 |
650 |
1000 |
750 |
≤868 |
1120 |
120 |
90 |
340 |
280 |
27 |
35 |
≤140 | |
|
800 |
1300 |
950 |
≤1068 |
1430 |
140 |
130 |
80 |
400 |
330 |
27 |
35 | ||
|
1000 |
1500 |
1150 |
≤1268 |
1630 |
140 |
130 |
80 |
400 |
330 |
27 |
35 | ||
|
1200 |
1750 |
1400 |
≤1514 |
1900 |
160 |
160 |
90 |
440 |
360 |
34 |
50 | ||
|
1400 |
2000 |
1600 |
≤1720 |
2150 |
160 |
160 |
90 |
440 |
360 |
34 |
50 | ||
|
800 |
1000 |
1500 |
1150 |
≤1268 |
1630 |
140 |
145 |
80 |
400 |
330 |
27 |
35 |
≤140 |
|
1200 |
1750 |
1400 |
≤1514 |
1900 |
160 |
160 |
90 |
440 |
360 |
34 |
50 | ||
|
1400 |
2000 |
1600 |
≤1720 |
2150 |
160 |
160 |
90 |
440 |
360 |
34 |
50 | ||
|
1000 |
1000 |
1500 |
1150 |
≤1268 |
1630 |
140 |
145 |
80 |
400 |
330 |
27 |
35 |
≤140 |
|
1200 |
1750 |
1400 |
≤1514 |
1900 |
160 |
160 |
90 |
440 |
360 |
34 |
50 | ||
|
1400 |
2000 |
1600 |
≤1720 |
2150 |
160 |
160 |
90 |
440 |
360 |
34 |
50 |
YDB型隔爆油冷式電動滾筒技術參數
|
直徑(mm) |
功率(kW) |
帶寬(mm) |
膠帶速度(m/s) |
質量(Kg) | |||||||
|
0.8 |
1.0 |
1.25 |
1.6 |
2.0 |
2.5 |
3.15 |
4.0 | ||||
|
320
|
1.5 |
500 |
· |
· |
· |
· |
185 | ||||
|
650 |
· |
· |
· |
· |
195 | ||||||
|
2.2 |
500 |
· |
· |
· |
187 | ||||||
|
650 |
· |
· |
· |
197 | |||||||
|
3 |
500 |
· |
· |
220 | |||||||
|
650 |
· |
· |
227 | ||||||||
|
4 |
500 |
· |
227 | ||||||||
|
650 |
· |
239 | |||||||||
|
400 |
2.2 |
500 |
· |
· |
· |
· |
219 | ||||
|
650 |
· |
· |
· |
· |
230 | ||||||
|
3 |
500 |
· |
· |
· |
· |
251 | |||||
|
650 |
· |
· |
· |
· |
265 | ||||||
|
4 |
500 |
· |
· |
· |
256 | ||||||
|
650 |
· |
· |
· |
270 | |||||||
|
500 |
1.5 |
500 |
· |
· |
272 | ||||||
|
650 |
· |
· |
283 | ||||||||
|
2.2 |
500 |
· |
· |
· |
· |
274 | |||||
|
650 |
· |
· |
· |
· |
285 | ||||||
|
800 |
· |
· |
· |
315 | |||||||
|
3 |
500 |
· |
· |
· |
· |
· |
302 | ||||
|
650 |
· |
· |
· |
· |
· |
316 | |||||
|
800 |
· |
· |
· |
· |
· |
346 | |||||
|
4 |
500 |
· |
· |
· |
· |
· |
· |
308 | |||
|
650 |
· |
· |
· |
· |
· |
· |
322 | ||||
|
800 |
· |
· |
· |
· |
· |
· |
352 | ||||
|
5.5 |
500 |
· |
· |
· |
· |
· |
368 | ||||
|
650 |
· |
· |
· |
· |
· |
404 | |||||
|
800 |
· |
· |
· |
· |
· |
435 | |||||
|
7.5 |
650 |
· |
· |
· |
· |
419 | |||||
|
800 |
· |
· |
· |
· |
· |
448 | |||||
|
11 |
650 |
· |
· |
· |
481 | ||||||
|
800 |
· |
· |
· |
· |
518 | ||||||
|
15 |
800 |
· |
· |
· |
· |
542 | |||||
|
630 |
3 |
1000 |
· |
529 | |||||||
|
4 |
1000 |
· |
· |
· |
536 | ||||||
|
1200 |
· |
590 | |||||||||
|
5.5 |
800 |
· |
· |
· |
· |
577 | |||||
|
1000 |
· |
· |
· |
· |
608 | ||||||
|
1200 |
· |
· |
· |
· |
· |
678 | |||||
|
7.5 |
800 |
· |
· |
· |
· |
592 | |||||
|
1000 |
· |
· |
· |
· |
· |
703 | |||||
|
1200 |
· |
· |
· |
· |
· |
692 | |||||
|
11 |
650 |
· |
· |
613 | |||||||
|
800 |
· |
· |
· |
679 | |||||||
|
1000 |
· |
· |
· |
· |
· |
· |
711 | ||||
|
1200 |
· |
· |
· |
· |
· |
781 | |||||
|
15 |
800 |
· |
· |
697 | |||||||
|
1000 |
· |
· |
· |
· |
729 | ||||||
|
1200 |
· |
· |
· |
· |
· |
799 | |||||

a>