產品介紹
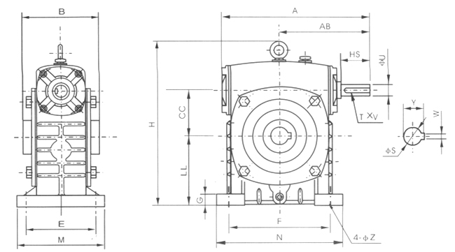
WPKS蝸輪減速機



WPKS蝸輪減速機




a>