產品介紹
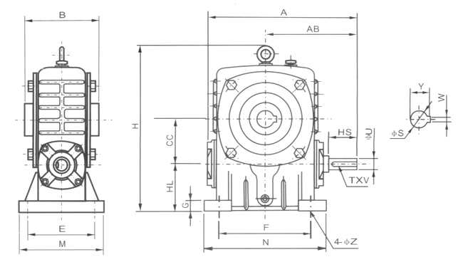
WPKA蝸輪減速機



WPKA蝸輪減速機




a>